Dorn Specification Sheet
NYST-26
 |
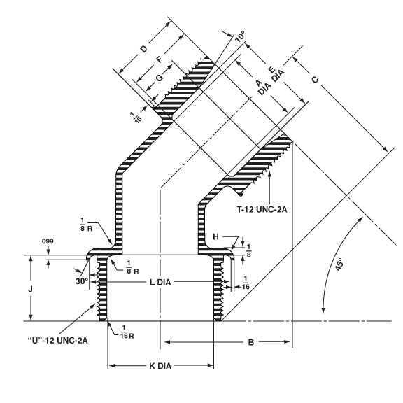
(A) Stuffing Tube, Nylon: Body, 45 Degrees
|
(A) FIGURE 1. Dimensions and Configuration
|
| (A) TABLE I. Size Selection |
Tube
Size |
Part
No. |
Body dimensions and configuration |
A
DIA 1/ |
B |
C |
D |
E
DIA 1/ |
F |
G |
H |
J |
K
DIA |
L
DIA |
T |
U |
| 5 |
NYST-26-006 |
1.187 |
N/A |
N/A |
1.250 |
1.343 |
1.125 |
.750 |
.250 |
1.312 |
1.625 |
2.314 |
2 |
2 |
| 6 |
NYST-26-007 |
1.505 |
N/A |
N/A |
1.500 |
1.750 |
1.375 |
.812 |
.250 |
1.312 |
2.125 |
2.812 |
2-1/2 |
2-1/2 |
|
Dimensions are in inches
Tolerances are;
Decimals - plus or minus 0.015 per linear inch, whichever is greater.
Fractions - plus or minus 1/64 inch.
Angular dimensions - Plus or minus 30 minutes.
Threads - as specified in FED-STD-H28/2.
1/ Decimals - plus or minus 0.005 per linear inch, whichever is greater.
|
|

Dorn Equipment Corporation
27 Upham Street Melrose, MA 02176 Tel: 781-662-9300 Fax: 781-665-0180 dornequipment.com
© MMXII Dorn Equipment Corporation Web
design by DreamLight.com
|